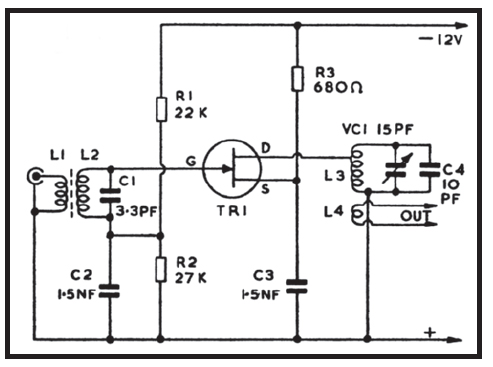
The circuit in Figure 1 has variable tuning for the drain coil, and to avoid complication the less important aerial circuit, which in any case tunes flatly, is broad banded.

Figure 1
L2 has four turns of 18swg wire on a powdered, iron VHF core and is approximately 7mm diameter. L1 is overwound, and has three turns, also 18swg L3 is air cored, and consists of four turns of 18swg wire, wound on an air cored former 8mm in diameter or 5/16th in, with turns separated by the wire diameter. The drain tapping is three turns from the grounded end of the coil. L4 is one turn, overwound on the grounded end of L3. C4 may be substituted by an air spaced trimmer, to allow more adjustment to coverage.
Values are chosen for a BFW10, which is a low noise, wideband VHF amplifier. Other VHF transistors can be used. A separate battery supply will generally be used, though provision can of course be made to draw power from the existing equipment. The aerial feeder is plugged into the socket connected to L1, and a short feeder from L4 is run to the receiver aerial socket. With a receiver having only a whip aerial, connections will have to be arranged for L4.
When using VHF amplifiers, it will be found that tuning is relatively flat, especially where circuits are heavily loaded, as with the aerial inductor. Despite this, a broad peak giving best reception should be found. It will also be found that the gain provided by such amplifiers is less great than with lower frequency RF amplifiers, and falls off as frequency rises. This is caused by circuit losses, as well as limitations of the transistors themselves. Capacitors should be tubular and disc ceramic, or other types suitable for VHF, and where inductors have solid cores, these must be of VHF type material.